電動汽車電機通過電磁感應原理將電能轉化為機械能驅動車輛,主流類型包括永磁同...電動汽車電機通過電磁感應原理將電能轉化為機械能驅動車輛,主流類型包括永磁同步電機、交流異步電機和無刷直流電機,核心是通過定子與轉子的磁場相互作用產生旋轉...
KND41100A超高壓MOS?場效應管漏源擊穿電壓1000V,漏極電流2A,低導通電阻RDS(...KND41100A超高壓MOS?場效應管漏源擊穿電壓1000V,漏極電流2A,低導通電阻RDS(開啟) 9.6Ω,最大限度地降低導通電阻,低柵極電荷最小化開關損耗、高效低耗;快速恢...
輸入電壓VIN為NPN三極管Q1提供IB電流使用它處于放大區(qū),IC為放大電流也為PNP三...輸入電壓VIN為NPN三極管Q1提供IB電流使用它處于放大區(qū),IC為放大電流也為PNP三極管Q2的基極電流,通過對IC電流的控制,可使Q2處于飽和狀態(tài)并以IE的飽和電流向電容...
新能源充電樁的工作原理是通過電力轉換裝置將電網(wǎng)電能轉化為適合電動汽車電池的...新能源充電樁的工作原理是通過電力轉換裝置將電網(wǎng)電能轉化為適合電動汽車電池的直流電,主要分為交流充電(慢充)和直流充電(快充)兩種技術路徑。交流充電樁和直...
KNM6990A場效應管漏源擊穿電壓900V,漏極電流18A,采用高級平面工藝制造,低導...KNM6990A場效應管漏源擊穿電壓900V,漏極電流18A,采用高級平面工藝制造,低導通電阻RDS(開啟) 650mΩ,最大限度地降低導通電阻,低柵極電荷最小化開關損耗、提高...
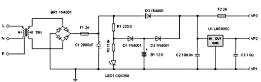
市電正常時,UPS通過整流器將交流電轉換為直流電,并儲存到電池中。當市電中斷...市電正常時,UPS通過整流器將交流電轉換為直流電,并儲存到電池中。當市電中斷或電壓波動時,UPS立即啟動逆變器,將儲存的直流電轉換為交流電,為負載提供電力支持...